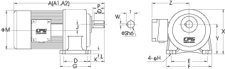
CH..SZ(CH..SZB) 臥式附三相縮框鋁殼(剎車)馬達減速
|
|
|
|
|
出力軸尺寸 |
|
出力軸 |
鍵槽 |
鍵 |
|
Sh6 |
P |
W |
T |
Q |
SPEC' |
|
∮18 |
30 |
5 |
20.2 |
27 |
5*5*27 |
|
∮22 |
40 |
7 |
25 |
35 |
7*7*35 |
|
∮28 |
45 |
7 |
31.1 |
40 |
7*7*40 |
|
∮32 |
55 |
10 |
35.5 |
50 |
10*8*50 |
|
∮40 |
65 |
10 |
43.5 |
60 |
10*8*60 |
|
|
|
|
適用機型:
CH..SZ, CH..STZ, CH..SZB, CH..STZB |
|
|
|
|
|
|
|
|
|
|
馬力 |
減速比 |
本體 |
型番(S) |
A |
A1 |
A2 |
D |
E |
F |
G |
H |
J |
K |
L |
M |
X |
Y |
Z |
100W
1/8HP |
60-200 |
1# |
18 |
250 |
250 |
250 |
40 |
110 |
135 |
65 |
9 |
16 |
50 |
10.5 |
133 |
138 |
88.5 |
120 |
200W
1/4HP |
15-90 |
1# |
18 |
285 |
285 |
285 |
40 |
110 |
135 |
65 |
9 |
16 |
50 |
10.5 |
133 |
138 |
88.5 |
120 |
|
100-200 |
2# |
22 |
315 |
315 |
315 |
65 |
130 |
158 |
90 |
11 |
17.5 |
60 |
13 |
133 |
152 |
97.5 |
120 |
400W
1/2HP |
15-90 |
2# |
22 |
330 |
330 |
330 |
65 |
130 |
158 |
90 |
11 |
17.5 |
60 |
13 |
167 |
152 |
97.5 |
135 |
|
100-200 |
3# |
28 |
360 |
360 |
360 |
90 |
140 |
178 |
120 |
11 |
23 |
68 |
17 |
167 |
178 |
116 |
135 |
750W
1HP |
3-25 |
2# |
22 |
350 |
350 |
350 |
65 |
130 |
158 |
90 |
11 |
17.5 |
60 |
13 |
167 |
152 |
97.5 |
135 |
|
30-120 |
3# |
28 |
380 |
380 |
380 |
90 |
140 |
178 |
120 |
11 |
23 |
68 |
17 |
167 |
178 |
116 |
135 |
|
125-200 |
4# |
32 |
410 |
410 |
410 |
130 |
170 |
215 |
165 |
13 |
30 |
70 |
21 |
167 |
216 |
138.5 |
135 |
1500W
2HP |
3-30 |
3# |
28 |
420 |
420 |
420 |
90 |
140 |
178 |
120 |
11 |
23 |
68 |
17 |
192 |
178 |
116 |
146 |
|
40-100 |
4# |
32 |
450 |
450 |
450 |
130 |
170 |
215 |
165 |
13 |
30 |
70 |
21 |
192 |
216 |
138.5 |
146 |
|
110-180 |
5# |
40 |
510 |
510 |
510 |
150 |
210 |
265 |
205 |
15 |
36 |
85 |
23 |
192 |
250 |
160 |
146 |
2200W
3HP |
45-100 |
5# |
40 |
520 |
520 |
520 |
150 |
210 |
265 |
205 |
15 |
36 |
85 |
23 |
220 |
250 |
160 |
160 |
3700W
5HP |
15-60 |
5# |
40 |
560 |
560 |
560 |
150 |
210 |
265 |
205 |
15 |
36 |
85 |
23 |
220 |
250 |
160 |
160 |
|
|
備註: |
A |
:三相鋁殼馬達 |
|
A1 |
:三相鐵殼馬達 |
|
A2 |
:三相馬達附剎車器 |
|