晟邦

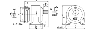
CHM卧式入力法兰齿轮减速机

 
   
 
 
入力孔尺寸
馬力 入力孔 鍵槽
S1 F7 W1 T1
1/4 HP ∮11 4 12.8
1/2 HP ∮14 5 16.3
1 HP ∮19 6 21.8
2 HP ∮24 8 27.3
3 HP ∮28 8 31.3
5 HP ∮28 8 31.3
 
 
 
出力軸尺寸
出力軸 鍵槽
Sh6 P W T Q SPEC'
∮18 30 5 20.2 27 5*5*27
∮22 40 7 25 35 7*7*35
∮28 45 7 31.1 40 7*7*40
∮32 55 10 35.5 50 10*8*50
∮40 65 10 43.5 60 10*8*60
∮50 80 14 54 75 14*9*75
 
 
單位(mm)
 
馬力 減速比 型番(S) A B C D E F G H I J K L N X Y Z
200W
1/4HP
3-10 18 160 110 130 40 110 135 65 9 55 16 50 10.5 160 138 88.5 M8
15-90 22 195 110 130 65 130 158 90 11 55 17.5 60 13 160 152 97.5 M8
100-170 28 225 110 130 90 140 178 120 11 55 23.1 70.5 17 160 178 116 M8
400W
1/2HP
3-10 22 195 110 130 65 130 158 90 11 55 17.5 60 13 160 152 97.5 M8
15-90 28 225 110 130 90 140 178 120 11 55 23 68 17 160 178 116 M8
100-200 32 255 110 130 130 170 215 165 13 55 30 70 21 160 216 138.5 M8
750W
1HP
3-25 28 250 130 165 90 140 178 120 11 82 23 68 17 200 178 116 M10
30-120 32 285 130 165 130 170 215 165 13 82 30 70 21 200 216 138.5 M10
125-200 40 330 130 165 150 210 265 205 15 82 36 83 23 200 250 160 M10
1500W
2HP
3-30 32 285 130 165 130 170 215 165 13 82 30 70 21 200 216 138.5 M10
40-100 40 330 130 165 150 210 265 205 15 82 36 85 23 200 250 160 M10
105-120 50 385 130 165 170 265 335 230 18 82 51 120 30 200 306 200 M10
2200W
3HP
3-40 40 355 180 215 150 210 265 205 15 105 36 83 23 250 250 160 M14
45-100 50 410 180 215 170 265 335 230 18 105 51 120 30 250 306 200 M14
3700W
5HP
3-10 40 355 180 215 150 210 265 205 15 105 36 85 23 250 250 160 M14
15-60 50 410 180 215 170 265 335 230 18 105 51 121 30 250 306 200 M14
 
 


南京盖奇科技开发有限公司 版权所有   苏ICP备09017238号-1