晟邦

CHM卧式入力法兰高速比齿轮减速机

 
 
 
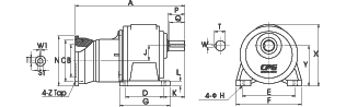
入力孔尺寸
馬力 入力孔 鍵槽
S1 F7 W1 T1
1/4 HP ∮11 4 12.8
1/2 HP ∮14 5 16.3
1 HP ∮19 6 21.8
 
 
 
出力軸尺寸
出力軸 鍵槽
Sh6 P W T Q SPEC'
∮32 55 10 35.5 50 10*8*50
∮40 65 10 43.5 60 10*8*60
∮50 80 14 54 75 14*9*75
 
     
     
 
單位(mm)
 
馬力 減速比 型番(S) A B C D E F G H I J K L N X Y Z
200W
1/4HP
250-1800 32 335 110 130 130 170 215 165 13 55 47.5 70 21 160 216 138.5 M8
400W
1/2HP
250-1800 40 410 110 130 150 210 265 205 15 55 59 85 23 160 250 160 M8
750W
1HP
250-1800 50 490 130 165 170 265 335 230 18 82 74 120 30 200 306 200 M10
 
備註: 配合IEC馬達為主。
 
 


南京盖奇科技开发有限公司 版权所有   苏ICP备09017238号-1