晟邦

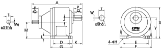
CHD 卧式双轴齿轮减速机

 
   
 
 
入力軸尺寸
入力軸 鍵槽
KW S1h6 P1 W1 T1 Q1 SPEC'
0.1/0.2 14 25 5 16.2 22 5*5*22
0.4 16 30 5 18.2 27 5*5*27
0.75 19 40 6 21.7 35 6*6*35
1.5 24 50 8 27.1 45 8*7*45
2.2 28 55 8 31.1 50 8*7*50
3.7 28 55 8 31.1 50 8*7*50
 
 
 
出力軸尺寸
出力軸 鍵槽
Sh6 P W T Q SPEC'
∮18 30 5 20.2 27 5*5*27
∮22 40 7 25 35 7*7*35
∮28 45 7 31.1 40 7*7*40
∮32 55 10 35.5 50 10*8*50
∮40 65 10 43.5 60 10*8*60
∮50 80 14 54 75 14*9*75
 
 
 
單位(mm)
 
馬力 減速比 型番(S) A D E F G H J K L M X Y
100W
1/8HP
3-50 18 160 40 110 135 65 9 16 50 10.5 72.5 138 88.5
60-160 22 200 65 130 158 90 11 17.5 60 13 80 152 97.5
200W
1/4HP
3-10 18 165 40 110 135 65 9 16 50 10.5 72.5 138 88.5
15-90 22 195 65 130 158 90 11 17.5 60 13 80 152 97.5
100-170 28 255 90 140 178 120 11 23 68 17 93 178 116
400W
1/2HP
3-10 22 235 65 130 158 90 11 17.5 60 13 80 152 97.5
15-90 28 265 90 140 178 120 11 23 68 17 93 178 116
100-200 32 300 130 170 215 165 13 30 70 21 108.5 216 138.5
750W
1HP
3-25 28 275 90 140 178 120 11 23 68 17 93 178 116
30-120 32 310 130 170 215 165 13 30 70 21 108.5 216 138.5
125-200 40 365 150 210 265 205 15 36 85 23 124 245 160
1500W
2HP
3-30 32 320 130 170 215 165 13 30 70 21 108.5 216 138.5
40-100 40 373 150 210 265 205 15 36 83 23 124 250 160
105-120 50 440 170 265 335 230 18 51 120 30 149 306 200
2200W
3HP
3-40 40 390 150 210 265 205 15 36 85 23 124 250 160
45-100 50 450 170 265 335 230 18 51 120 30 149 306 200
3700W
5HP
3-10 40 390 150 210 265 205 15 36 83 23 124 250 160
15-60 50 450 170 265 335 230 18 51 120 30 149 306 200
 
 


南京盖奇科技开发有限公司 版权所有   苏ICP备09017238号-1