CH..S(CH..SB)卧式高速比附三相铝壳(刹车)马达
|
|
|
|
|
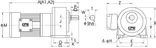
出力軸尺寸 |
|
出力軸 |
鍵槽 |
鍵 |
|
Sh6 |
P |
W |
T |
Q |
SPEC' |
|
∮28 |
45 |
7 |
31.1 |
40 |
7*7*40 |
|
∮32 |
55 |
10 |
35.5 |
50 |
10*8*50 |
|
∮40 |
65 |
10 |
43.5 |
60 |
10*8*60 |
|
∮50 |
80 |
14 |
54 |
75 |
14*9*75 |
|
|
|
|
適用機型:
CH..S, CH..ST, CH..SB, CH..STB |
|
|
|
|
|
|
|
|
|
|
馬力 |
減速比 |
本體 |
型番(S) |
A |
A1 |
A2 |
D |
E |
F |
G |
H |
J |
K |
L |
M |
X |
Y |
Z |
100W
1/8HP |
250-1800 |
1#+3# |
28 |
370 |
370 |
370 |
90 |
140 |
178 |
120 |
11 |
39 |
68 |
17 |
133 |
178 |
116 |
120 |
200W
1/4HP |
250-1800 |
2#+4# |
32 |
470 |
470 |
470 |
130 |
170 |
215 |
165 |
13 |
47.5 |
70 |
21 |
133 |
216 |
138.5 |
120 |
400W
1/2HP |
250-1800 |
3#+5# |
40 |
550 |
550 |
550 |
150 |
210 |
265 |
205 |
15 |
59 |
85 |
23 |
167 |
250 |
160 |
135 |
750W
1HP |
250-1800 |
3#+6# |
50 |
620 |
620 |
620 |
170 |
265 |
335 |
230 |
18 |
74 |
120 |
30 |
167 |
306 |
200 |
135 |
|
|
備註: |
A |
:三相鋁殼馬達 |
|
A1 |
:三相鐵殼馬達 |
|
A2 |
:三相馬達附剎車器 |
|