晟邦

CH..AT(CH..ATB) 卧式附单相铁壳(刹车)马达减速

  IMG_256
IMG_257
 
 
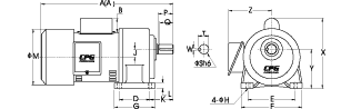
出力軸尺寸
出力軸 鍵槽
Sh6 P W T Q SPEC'
∮18 30 5 20.2 27 5*5*27
∮22 40 7 25 35 7*7*35
∮28 45 7 31.1 40 7*7*40
∮32 55 10 35.5 50 10*8*50
∮40 65 10 43.5 60 10*8*60
∮50 80 14 54 75 14*9*75
 
 
適用機型:CH..AT, CH..ATB


南京盖奇科技开发有限公司 版权所有   苏ICP备09017238号-1